• 首页
  • 查标准
  • 下载
  • 专题
  • 标签
  • 首页
  • 标准
  • 化工
  • ZB G 25008-1989 三乙膦酸铝原药

    ZB G 25008-1989 三乙膦酸铝原药
    三乙膦酸铝原药化工产品质量标准农药
    40 浏览2025-06-06 更新pdf0.13MB 未评分
    加入收藏
    立即下载
  • 资源简介

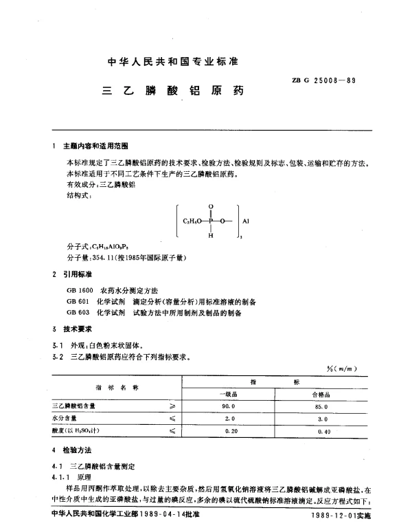
    摘要:本文件规定了三乙膦酸铝原药的技术要求、试验方法、检验规则及标志、包装、运输和贮存。本文件适用于三乙膦酸铝原药的生产、检验和验收。
    Title:Technical Standard for Triethyl Phosphite Aluminum Crude Drug
    中国标准分类号:G12
    国际标准分类号:65.100

  • 封面预览

    ZB G 25008-1989 三乙膦酸铝原药
  • 拓展解读

    摘要

    ZB G 25008-1989 是中国农药行业的一项标准,主要用于规范三乙膦酸铝原药的质量要求和技术指标。本文将围绕该标准展开分析,探讨其在农药生产与应用中的重要性,并结合实际案例说明其对行业发展的推动作用。

    引言

    三乙膦酸铝是一种重要的化学合成农药,广泛应用于农业病害防治。为了确保产品质量和使用安全,ZB G 25008-1989 标准为该产品的生产和检测提供了明确的技术指导。本研究旨在通过深入解读该标准,揭示其在农药领域的核心价值。

    标准内容概述

    ZB G 25008-1989 标准涵盖了三乙膦酸铝原药的定义、技术要求、试验方法、检验规则以及标志、包装、运输和贮存等内容。这些规定不仅保障了产品的质量稳定性,还提高了行业的规范化水平。

    • 定义与分类:明确了三乙膦酸铝原药的基本概念及其适用范围。
    • 技术要求:详细列出了有效成分含量、水分、pH值等关键指标的具体数值要求。
    • 试验方法:提供了科学合理的检测手段,确保数据准确可靠。
    • 检验规则:规定了抽样、判定规则及复检流程,保证产品符合标准。
    • 标志、包装、运输和贮存:强调了操作过程中的安全性与环保性。

    标准实施的意义

    ZB G 25008-1989 的实施对于促进我国农药行业的健康发展具有深远影响。首先,它提高了产品质量,减少了因不合格产品引发的环境问题;其次,统一了行业标准,便于企业间公平竞争;最后,增强了国际市场的竞争力,为中国农药走向世界奠定了坚实基础。

    结论

    ZB G 25008-1989 是一项具有里程碑意义的标准文件,它不仅规范了三乙膦酸铝原药的生产流程,还促进了整个农药行业的技术进步。未来,随着科技的发展,我们期待更多类似的标准出台,进一步提升我国农药产业的整体水平。

  • 下载说明

    预览图若存在模糊、缺失、乱码、空白等现象,仅为图片呈现问题,不影响文档的下载及阅读体验。

    当文档总页数显著少于常规篇幅时,建议审慎下载。

    资源简介仅为单方陈述,其信息维度可能存在局限,供参考时需结合实际情况综合研判。

    如遇下载中断、文件损坏或链接失效,可提交错误报告,客服将予以及时处理。

  • 相关资源
    下一篇 ZB G13001-1988 醋酸乙烯合成触媒载体活性炭

    ZB G14 001-1990 工业水合肼

    ZB G21 007-1990 多孔粒状硝酸铵

    ZB G23 001-1986 农药通用名称命名原则和程序

    ZB G25 010-1990 甲草胺原药

资源简介
封面预览
拓展解读
下载说明
相关资源
  • 帮助中心
  • 网站地图
  • 联系我们
2024-2025 WenDangJia.com 浙ICP备2024137650号-1