• 首页
  • 查标准
  • 下载
  • 专题
  • 标签
  • 首页
  • 标准
  • 制造
  • SJ 3111-1988 冷冲模.Ⅰ型固定导板模纵向送料固定板

    SJ 3111-1988 冷冲模.Ⅰ型固定导板模纵向送料固定板
    冷冲模固定导板模纵向送料固定板模具标准
    28 浏览2025-06-07 更新pdf0.04MB 未评分
    加入收藏
    立即下载
  • 资源简介

    摘要:本文件规定了Ⅰ型固定导板模纵向送料固定板的技术要求、设计准则和检验方法。本文件适用于冷冲模中采用纵向送料方式的Ⅰ型固定导板模的设计与制造。
    Title:Cold Punching Dies - Type I Fixed Guide Plate Die for Longitudinal Feeding - Fixed Plate
    中国标准分类号:J51
    国际标准分类号:25.100

  • 封面预览

    SJ 3111-1988 冷冲模.Ⅰ型固定导板模纵向送料固定板
  • 拓展解读

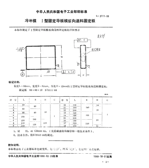
    冷冲模 I型固定导板模纵向送料固定板

    以下是关于“SJ 3111-1988 冷冲模 I型固定导板模纵向送料固定板”的主要内容总结及其与老版本的变化对比。

    主要内容

    • 适用范围: 本标准适用于冷冲模中I型固定导板模的纵向送料固定板设计和制造。
    • 结构要求: 固定板应具有足够的强度和刚度,以承受冲压过程中的各种应力。
    • 材料选择: 标准中规定了固定板的材料性能要求,包括硬度、耐磨性和抗疲劳性。
    • 尺寸公差: 对固定板的尺寸公差进行了详细规定,确保模具装配精度。
    • 表面处理: 提供了表面处理的具体要求,如防锈处理和涂层工艺。

    与老版本的变化

    • 材料升级: 新版本对材料的要求更加严格,增加了对环保型材料的推荐。
    • 公差优化: 尺寸公差的允许范围有所调整,提高了装配精度要求。
    • 表面处理改进: 引入了更先进的表面处理技术,延长了固定板的使用寿命。
    • 环保考量: 在材料选择和表面处理方面增加了环保相关的规定。
    • 测试方法更新: 更新了部分性能测试方法,使其更加科学和准确。
  • 下载说明

    预览图若存在模糊、缺失、乱码、空白等现象,仅为图片呈现问题,不影响文档的下载及阅读体验。

    当文档总页数显著少于常规篇幅时,建议审慎下载。

    资源简介仅为单方陈述,其信息维度可能存在局限,供参考时需结合实际情况综合研判。

    如遇下载中断、文件损坏或链接失效,可提交错误报告,客服将予以及时处理。

  • 相关资源
    下一篇 SJ 3105-1988 冷冲模.弹压导板模中间导柱导板

    SJ 3109-1988 冷冲模.Ⅰ型固定导板模纵向送料上模座

    SJ 3113-1988 冷冲模.Ⅰ型固定导板模横向送料垫板

    SJ 3112-1988 冷冲模.Ⅰ型固定导板模横向送料上模座

    SJ 3114-1988 冷冲模.Ⅰ型固定导板模横向送料固定板

资源简介
封面预览
拓展解读
下载说明
相关资源
  • 帮助中心
  • 网站地图
  • 联系我们
2024-2025 WenDangJia.com 浙ICP备2024137650号-1