• 首页
  • 查标准
  • 下载
  • 专题
  • 标签
  • 首页
  • 标准
  • 制造
  • SJ 2638.3-1985 冷冲模.铆接模柄

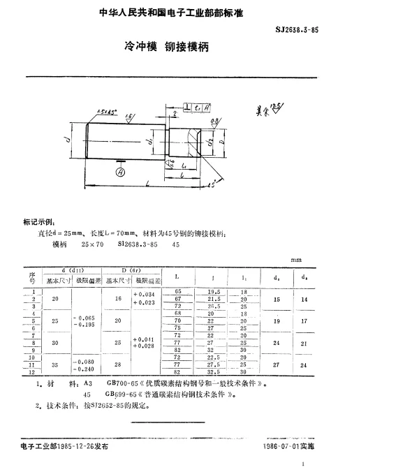
    SJ 2638.3-1985 冷冲模.铆接模柄
    冷冲模铆接模柄模具标准机械制造工艺装备
    33 浏览2025-06-07 更新pdf0.04MB 未评分
    加入收藏
    立即下载
  • 资源简介

    摘要:本文件规定了冷冲模用铆接模柄的型式、基本参数、技术要求、检验规则及标志、包装、运输和贮存。本文件适用于冷冲模用铆接模柄的设计、制造和验收。
    Title:Cold stamping dies - Riveted die handles
    中国标准分类号:J76
    国际标准分类号:25.100

  • 封面预览

    SJ 2638.3-1985 冷冲模.铆接模柄
  • 拓展解读

    冷冲模与铆接模柄的设计标准分析

    SJ 2638.3-1985 是中国国家标准中关于冷冲模铆接模柄的重要规范文件。该标准为冷冲模的结构设计、制造及安装提供了详细的指导,确保了冷冲模在工业生产中的可靠性和安全性。本文将围绕该标准的核心内容进行深入分析,并探讨其在现代工业中的应用价值。

    冷冲模的基本概念与作用

    冷冲模是一种用于金属板材加工的关键工具,广泛应用于汽车、航空航天和家电等行业。铆接模柄作为冷冲模的重要组成部分,直接影响模具的工作效率和使用寿命。根据 SJ 2638.3-1985 的规定,铆接模柄的设计需满足以下基本要求:

    • 强度与刚度:确保在高负荷条件下稳定运行。
    • 耐磨性:减少长期使用中的磨损问题。
    • 安装精度:保证模具与其他部件的精确配合。

    这些要求体现了标准对工业生产的严格把控,同时也反映了冷冲模技术发展的核心需求。

    铆接模柄的设计细节

    根据 SJ 2638.3-1985 的具体条款,铆接模柄的设计需要考虑以下几个关键因素:

    • 材料选择:推荐使用高强度合金钢,以提升抗疲劳性能。
    • 表面处理:采用热处理工艺增强硬度和耐磨性。
    • 连接方式:明确指出模柄与模具主体应通过螺栓或焊接连接,确保牢固性。

    这些细节不仅提高了冷冲模的整体性能,还降低了维护成本,为企业带来了显著的经济效益。

    标准的应用现状与未来展望

    SJ 2638.3-1985 在我国冷冲模行业具有广泛的适用性,尤其在传统制造业中发挥了重要作用。然而,随着新材料和新技术的发展,该标准也需要不断更新和完善。例如,近年来兴起的数字化制造技术为冷冲模的设计提供了新的可能性,未来可以结合智能传感器和数据分析技术进一步优化铆接模柄的性能。

    综上所述,SJ 2638.3-1985 标准为冷冲模的设计和制造提供了科学依据,其核心理念在现代工业中依然具有重要意义。通过持续的技术创新和标准升级,我们可以更好地应对未来的挑战,推动冷冲模行业的可持续发展。

  • 下载说明

    预览图若存在模糊、缺失、乱码、空白等现象,仅为图片呈现问题,不影响文档的下载及阅读体验。

    当文档总页数显著少于常规篇幅时,建议审慎下载。

    资源简介仅为单方陈述,其信息维度可能存在局限,供参考时需结合实际情况综合研判。

    如遇下载中断、文件损坏或链接失效,可提交错误报告,客服将予以及时处理。

  • 相关资源
    下一篇 SJ 2638.4-1985 冷冲模.凸缘模柄

    SJ 2638.6.1-1985 冷冲模.活动模柄

    SJ 2638.7-1985 冷冲模.浮动模柄组合

    SJ 2638.7.1-1985 冷冲模.凹球面模柄

    SJ 2638.7.3-1985 冷冲模.锥面压圈

资源简介
封面预览
拓展解读
下载说明
相关资源
  • 帮助中心
  • 网站地图
  • 联系我们
2024-2025 WenDangJia.com 浙ICP备2024137650号-1