• 首页
  • 查标准
  • 下载
  • 专题
  • 标签
  • 首页
  • 标准
  • 制造
  • JBT 7187.6-1995 冲模导向装置 圆柱螺旋压缩弹簧

    JBT 7187.6-1995 冲模导向装置 圆柱螺旋压缩弹簧
    冲模导向装置圆柱螺旋压缩弹簧机械部件模具标准
    18 浏览2025-06-08 更新pdf0.03MB 未评分
    加入收藏
    立即下载
  • 资源简介

    摘要:本文件规定了冲模导向装置中圆柱螺旋压缩弹簧的技术要求、尺寸规格、材料及热处理、检验规则等。本文件适用于冲模导向装置中使用的圆柱螺旋压缩弹簧。
    Title:Punch Die Guiding Device - Cylindrical Helical Compression Springs
    中国标准分类号:J75
    国际标准分类号:21.100

  • 封面预览

    JBT 7187.6-1995 冲模导向装置 圆柱螺旋压缩弹簧
  • 拓展解读

    引言

    冲模导向装置是现代工业中广泛应用的关键部件之一,其性能直接影响到冲压过程的精度与效率。在众多导向装置的设计中,圆柱螺旋压缩弹簧因其结构简单、成本低廉以及良好的弹性特性而备受青睐。本文基于国家标准 JBT 7187.6-1995,对冲模导向装置中的圆柱螺旋压缩弹簧进行深入分析,探讨其设计原理、应用特点及优化策略。

    圆柱螺旋压缩弹簧的基本原理

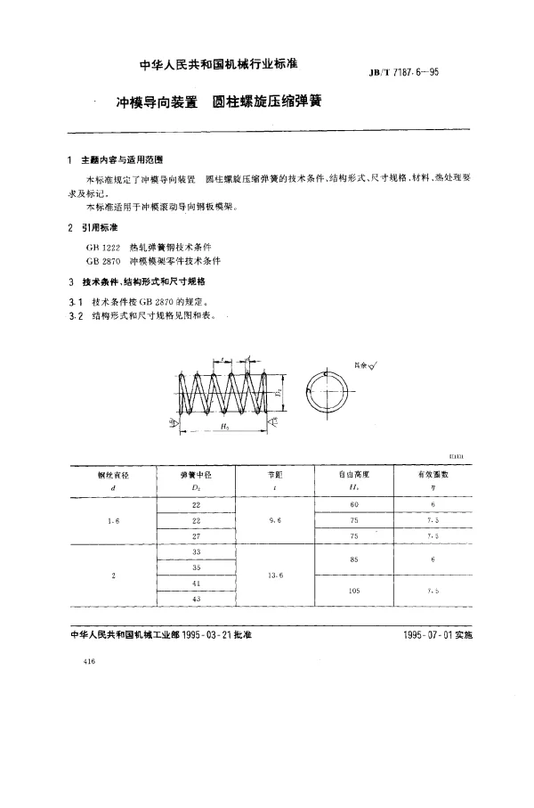
    圆柱螺旋压缩弹簧是一种利用材料的弹性变形来储存和释放能量的机械元件。根据 JBT 7187.6-1995 的规定,其主要参数包括直径、线径、节距、圈数等。这些参数的选择直接决定了弹簧的工作性能,例如载荷能力、稳定性及使用寿命。

    • 直径:决定弹簧的承载能力。
    • 线径:影响弹簧的刚度和强度。
    • 节距:影响弹簧的柔性和工作范围。
    • 圈数:决定弹簧的变形量和稳定性。

    圆柱螺旋压缩弹簧在冲模导向装置中的应用

    在冲模导向装置中,圆柱螺旋压缩弹簧的主要作用是提供稳定的导向力和平稳的复位功能。通过严格的公差控制和表面处理,可以显著提高其抗疲劳性能和耐久性。

    • 提供导向力,确保模具运动的精确性。
    • 吸收冲击载荷,保护模具免受损伤。
    • 实现自动复位,提升生产效率。

    设计与优化策略

    为了满足实际工况的需求,圆柱螺旋压缩弹簧的设计需要综合考虑多个因素。以下是基于 JBT 7187.6-1995 的一些优化建议:

    • 选择合适的材料,如优质碳素钢或合金钢,以提高弹性和耐腐蚀性。
    • 采用先进的制造工艺,如冷拔成型和热处理,以保证尺寸精度和力学性能。
    • 合理调整参数,例如增加圈数以降低应力集中,减小线径以提高灵敏度。

    结论

    圆柱螺旋压缩弹簧作为冲模导向装置的核心部件,其设计与应用具有重要意义。通过对 JBT 7187.6-1995 标准的深入研究,我们可以更好地理解其工作原理,并采取有效的优化措施,从而提升整体性能。未来的研究应进一步结合现代仿真技术和智能制造技术,推动该领域的创新发展。

  • 下载说明

    预览图若存在模糊、缺失、乱码、空白等现象,仅为图片呈现问题,不影响文档的下载及阅读体验。

    当文档总页数显著少于常规篇幅时,建议审慎下载。

    资源简介仅为单方陈述,其信息维度可能存在局限,供参考时需结合实际情况综合研判。

    如遇下载中断、文件损坏或链接失效,可提交错误报告,客服将予以及时处理。

  • 相关资源
    下一篇 JBT 7187.4-1995 冲模导向装置 B型导套

    JBT 7187.3-1995 冲模导向装置 A型导套

    JBT 7187.2-1995 冲模导向装置 B型导柱

    JBT 7187.5-1995 冲模导向装置 钢球保持圈

    JBT 7188-1995 冲模钢板模架零件技术条件

资源简介
封面预览
拓展解读
下载说明
相关资源
  • 帮助中心
  • 网站地图
  • 联系我们
2024-2025 WenDangJia.com 浙ICP备2024137650号-1