• 首页
  • 查标准
  • 下载
  • 专题
  • 标签
  • 首页
  • 标准
  • 化工
  • HG 3-1078-1977 化学试剂 无水亚硫酸钠

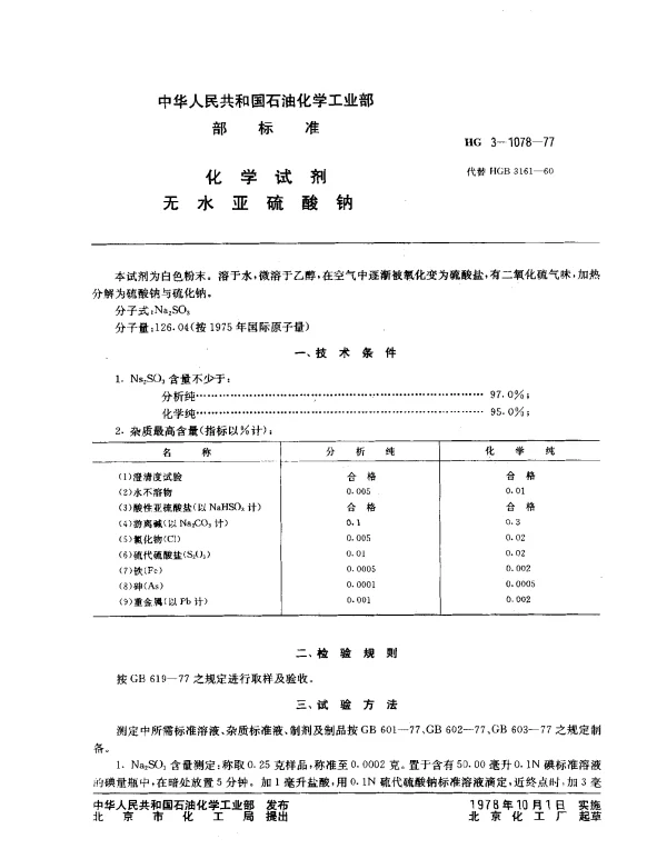
    HG 3-1078-1977 化学试剂 无水亚硫酸钠
    化学试剂无水亚硫酸钠纯度检测方法用途
    34 浏览2025-06-08 更新pdf0.09MB 未评分
    加入收藏
    立即下载
  • 资源简介

    摘要:本文件规定了化学试剂无水亚硫酸钠的技术要求、试验方法、检验规则及标志、包装、运输和贮存。本文件适用于化学分析中作为还原剂等用途的无水亚硫酸钠。
    Title:Chemical Reagent - Anhydrous Sodium Sulfite
    中国标准分类号:C41
    国际标准分类号:71.040.30

  • 封面预览

    HG 3-1078-1977 化学试剂 无水亚硫酸钠
  • 拓展解读

    优化无水亚硫酸钠生产与应用的弹性方案

    在遵循HG 3-1078-1977《化学试剂 无水亚硫酸钠》标准的前提下,通过灵活调整工艺和管理措施,可以在保证质量的同时实现成本优化与效率提升。

    • 原料采购弹性: 根据市场波动调整采购周期,选择性价比更高的原材料供应商,同时建立长期合作关系以获取稳定供应。
    • 生产工艺优化: 引入自动化设备减少人工干预,提高反应效率并降低能耗,同时对关键参数进行实时监控以确保产品质量。
    • 能源管理: 利用余热回收技术,将生产过程中产生的废热用于其他工序,减少外部能源消耗。
    • 库存管理: 实施动态库存管理系统,根据订单需求调整库存量,避免因过度囤积导致的资金占用。
    • 包装材料创新: 探索环保型包装材料替代传统包装,既能降低成本又能满足环保要求。
    • 质量检测流程简化: 在确保符合标准的前提下,优化检测步骤,减少不必要的重复检测,缩短产品放行时间。
    • 员工培训与激励: 定期组织员工技能培训,提高操作熟练度,同时设立绩效奖励机制,激发员工积极性。
    • 物流配送整合: 集中物流资源,与多家客户合作制定统一配送计划,降低运输成本。
    • 废弃物处理再利用: 对生产过程中产生的副产物进行资源化处理,转化为其他可用物质,减少浪费。
    • 客户反馈机制: 建立完善的客户反馈渠道,及时了解市场需求变化,调整产品规格和生产策略,增强市场竞争力。
  • 下载说明

    预览图若存在模糊、缺失、乱码、空白等现象,仅为图片呈现问题,不影响文档的下载及阅读体验。

    当文档总页数显著少于常规篇幅时,建议审慎下载。

    资源简介仅为单方陈述,其信息维度可能存在局限,供参考时需结合实际情况综合研判。

    如遇下载中断、文件损坏或链接失效,可提交错误报告,客服将予以及时处理。

  • 相关资源
    下一篇 HG 3-1107-1977 化学试剂 邻苯二甲酸酐

    HG 3-1072-1977 化学试剂 汞

    HG 3-1070-1977 化学试剂 硝酸铅

    HG 3-1085-1977 化学试剂 三氯化铁

    HG 3-1110-1977 化学试剂 氨基乙酸

资源简介
封面预览
拓展解读
下载说明
相关资源
  • 帮助中心
  • 网站地图
  • 联系我们
2024-2025 WenDangJia.com 浙ICP备2024137650号-1