• 首页
  • 查标准
  • 下载
  • 专题
  • 标签
  • 首页
  • 标准
  • 制造
  • HB 4080-1988 A型双耳凹模座

    HB 4080-1988 A型双耳凹模座
    模具模座双耳凹模座A型机械制造
    41 浏览2025-06-08 更新pdf0.02MB 未评分
    加入收藏
    立即下载
  • 资源简介

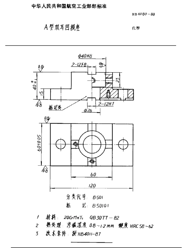
    摘要:本文件规定了A型双耳凹模座的技术要求、尺寸规格及检验方法。本文件适用于机械制造行业中使用的A型双耳凹模座的设计、制造和验收。
    Title:A-type Double Ear Concave Die Base - HB 4080-1988
    中国标准分类号:J22
    国际标准分类号:25.160

  • 封面预览

    HB 4080-1988 A型双耳凹模座
  • 拓展解读

    HB 4080-1988 A型双耳凹模座常见问题解答

    以下是关于HB 4080-1988 A型双耳凹模座的一些常见问题及其详细解答。

    一、什么是HB 4080-1988 A型双耳凹模座?

    问题描述:HB 4080-1988 A型双耳凹模座是什么?它的主要用途是什么?

    • 回答:HB 4080-1988 A型双耳凹模座是一种用于冲压模具中的标准部件,主要用于固定和支撑凹模。它通过两个耳部与模具框架连接,具有较高的稳定性和可靠性。
    • 回答:其主要用途是为冲压过程提供精确的定位和支撑,确保冲压件的质量和生产效率。

    二、HB 4080-1988 A型双耳凹模座的技术参数有哪些?

    问题描述:HB 4080-1988 A型双耳凹模座的技术参数包括哪些内容?

    • 回答:技术参数通常包括尺寸规格(如宽度、高度、孔径)、材料类型(如合金钢或铸铁)、表面处理要求以及安装孔的位置和大小。
    • 回答:此外,还需要关注其承载能力、适用温度范围以及与其他模具部件的兼容性。

    三、如何正确选择HB 4080-1988 A型双耳凹模座?

    问题描述:在实际应用中,如何选择适合的HB 4080-1988 A型双耳凹模座?

    • 回答:首先需要根据冲压件的尺寸和形状选择合适的凹模座型号。
    • 回答:其次,需考虑冲压力的大小,选择能够承受相应载荷的材质和结构设计。
    • 回答:最后,确保所选产品符合相关行业标准(如HB 4080-1988),并检查其是否具备合格的认证文件。

    四、HB 4080-1988 A型双耳凹模座的安装注意事项有哪些?

    问题描述:在安装HB 4080-1988 A型双耳凹模座时需要注意什么?

    • 回答:确保安装面清洁无杂质,避免影响定位精度。
    • 回答:严格按照图纸和说明书进行安装,确保双耳凹模座与模具框架对齐。
    • 回答:紧固螺丝时需均匀施力,防止局部受力过大导致变形。

    五、HB 4080-1988 A型双耳凹模座的维护保养方法是什么?

    问题描述:如何对HB 4080-1988 A型双耳凹模座进行日常维护和保养?

    • 回答:定期清理表面污垢,保持其清洁干燥。
    • 回答:检查安装部位是否有松动现象,及时紧固螺丝。
    • 回答:对于长期使用的部件,建议定期进行润滑处理以减少磨损。

    六、HB 4080-1988 A型双耳凹模座可能出现的问题及解决办法

    问题描述:在使用过程中,可能会遇到哪些问题?该如何解决?

    • 回答:问题1:定位不准。解决办法:重新校准安装位置,确保与模具框架对齐。
    • 回答:问题2:表面磨损严重。解决办法:更换新的双耳凹模座或进行修复处理。
    • 回答:问题3:安装后出现松动。解决办法:检查螺丝是否拧紧,并增加防松措施。
  • 下载说明

    预览图若存在模糊、缺失、乱码、空白等现象,仅为图片呈现问题,不影响文档的下载及阅读体验。

    当文档总页数显著少于常规篇幅时,建议审慎下载。

    资源简介仅为单方陈述,其信息维度可能存在局限,供参考时需结合实际情况综合研判。

    如遇下载中断、文件损坏或链接失效,可提交错误报告,客服将予以及时处理。

  • 相关资源
    下一篇 HB 4077-1988 导板

    HB 4081-1988 B型双耳凹模座

    HB 4082-1988 直线冲孔凹模座

    HB 4084-1988 B型凹模紧板

    HB 4085-1988 A型连接角铁

资源简介
封面预览
拓展解读
下载说明
相关资源
  • 帮助中心
  • 网站地图
  • 联系我们
2024-2025 WenDangJia.com 浙ICP备2024137650号-1