• 首页
  • 查标准
  • 下载
  • 专题
  • 标签
  • 首页
  • 标准
  • 制造
  • HB 2294-1976 机用铰刀技术条件

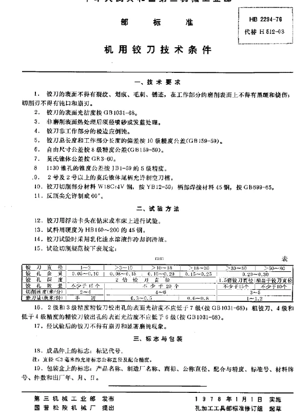
    HB 2294-1976 机用铰刀技术条件
    机用铰刀技术条件制造加工工具
    31 浏览2025-06-08 更新pdf0.04MB 未评分
    加入收藏
    立即下载
  • 资源简介

    摘要:本文件规定了机用铰刀的技术要求、检验规则及标志包装等技术条件。本文件适用于金属切削加工用机用铰刀的生产与验收。
    Title:Technical Conditions for Machine Reamers
    中国标准分类号:J13
    国际标准分类号:25.100.30

  • 封面预览

    HB 2294-1976 机用铰刀技术条件
  • 拓展解读

    HB 2294-1976 机用铰刀技术条件

    HB 2294-1976 是中国国家标准中关于机用铰刀的技术条件规范。这一标准详细规定了机用铰刀的设计、制造、检验和验收要求,是确保机用铰刀质量和性能的重要依据。机用铰刀广泛应用于机械加工行业,其主要作用是对已加工孔进行精加工,以提高孔的尺寸精度和表面质量。

    机用铰刀的关键技术要求

    根据HB 2294-1976,机用铰刀的技术要求主要包括以下几个方面:

    • 材料选择:机用铰刀通常采用优质合金钢制造,以保证其硬度和耐磨性。例如,常用的材料包括W18Cr4V和M2高速钢,这些材料能够承受较高的切削温度和压力。
    • 几何参数:铰刀的直径公差、齿数分布、刃带宽度等几何参数直接影响加工效果。标准中明确规定了这些参数的允许偏差范围,以确保加工孔的质量。
    • 表面处理:为了提高铰刀的使用寿命,通常需要进行表面热处理或涂层处理。常见的表面处理方法包括氮化、镀钛等。

    机用铰刀的应用场景

    机用铰刀广泛应用于汽车、航空航天、模具制造等行业。例如,在汽车制造业中,机用铰刀用于加工发动机缸体上的精密孔;在航空航天领域,它被用来加工飞机起落架部件中的关键孔位。

    以某汽车制造商为例,他们采用了符合HB 2294-1976标准的机用铰刀对发动机缸体进行加工。通过严格的工艺控制和高质量的铰刀,该制造商成功将缸体孔的尺寸精度提高了30%,显著提升了产品的可靠性和一致性。

    未来发展趋势

    随着工业技术的进步,机用铰刀也在不断发展。未来的发展趋势包括:

    • 开发更高效的涂层技术,以进一步提升铰刀的耐磨性和使用寿命。
    • 优化铰刀的几何设计,使其适应更多复杂的加工环境。
    • 引入智能化检测系统,实现对铰刀加工过程的实时监控。

    总之,HB 2294-1976作为机用铰刀的技术标准,为行业的规范化发展提供了重要支持。通过对标准的严格执行和技术创新,可以进一步提升产品质量,满足现代工业的需求。

  • 下载说明

    预览图若存在模糊、缺失、乱码、空白等现象,仅为图片呈现问题,不影响文档的下载及阅读体验。

    当文档总页数显著少于常规篇幅时,建议审慎下载。

    资源简介仅为单方陈述,其信息维度可能存在局限,供参考时需结合实际情况综合研判。

    如遇下载中断、文件损坏或链接失效,可提交错误报告,客服将予以及时处理。

  • 相关资源
    下一篇 HB 2167-1975 凹模

    HB 2198-1989 塑料、橡胶模具技术条件

    HB 2211-1992 导柱

    HB 2306-1976 带刃倾角的锥柄机用铰刀 D=10~32mm

    HB 2305-1976 带刃倾角的直柄机用铰刀 D=6~20mm

资源简介
封面预览
拓展解读
下载说明
相关资源
  • 帮助中心
  • 网站地图
  • 联系我们
2024-2025 WenDangJia.com 浙ICP备2024137650号-1