• 首页
  • 查标准
  • 下载
  • 专题
  • 标签
  • 首页
  • 标准
  • 制造
  • GB 9210-1988 硬质合金弧形圆头旋转锉

    GB 9210-1988 硬质合金弧形圆头旋转锉
    硬质合金弧形圆头旋转锉工具加工
    28 浏览2025-06-09 更新pdf0.03MB 未评分
    加入收藏
    立即下载
  • 资源简介

    摘要:本文件规定了硬质合金弧形圆头旋转锉的术语和定义、技术要求、试验方法、检验规则及标志、包装、运输和贮存。本文件适用于以硬质合金为材料制成的弧形圆头旋转锉,主要用于机械加工、模具修复和其他精密加工领域。
    Title:Hardmetal Radius Round-head Rotary Files
    中国标准分类号:J23
    国际标准分类号:25.100

  • 封面预览

    GB 9210-1988 硬质合金弧形圆头旋转锉
  • 拓展解读

    硬质合金弧形圆头旋转锉的技术标准与应用分析

    GB 9210-1988 是中国制定的一项关于硬质合金弧形圆头旋转锉的技术标准,该标准详细规定了此类工具的尺寸、公差、表面粗糙度以及性能要求。硬质合金旋转锉因其高强度和高耐磨性,在机械加工领域具有广泛应用。本文将从技术规范、应用场景及未来发展趋势三个方面对 GB 9210-1988 进行深入探讨。

    技术规范解析

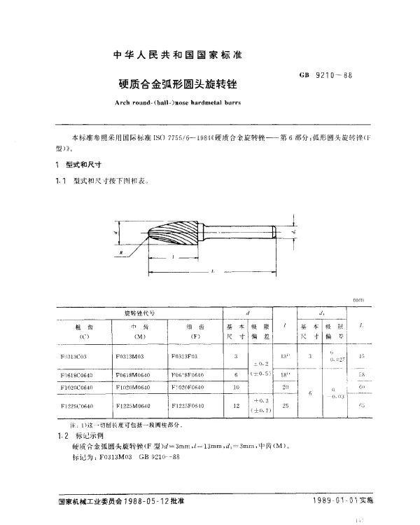
    根据 GB 9210-1988 的规定,硬质合金弧形圆头旋转锉的主要参数包括直径范围、长度、头部形状以及材料成分。这些参数直接影响到工具的使用寿命和加工精度。例如,标准中明确指出,硬质合金材料应采用碳化钨基体,并通过特定的烧结工艺提高其硬度和韧性。

    • 直径范围:标准中规定了从 3 mm 到 50 mm 的多种规格,以满足不同加工需求。
    • 表面粗糙度:要求表面光洁度达到 Ra 0.8 μm,以减少加工过程中的摩擦阻力。
    • 硬度要求:成品的洛氏硬度需达到 HRA 88 以上,确保在高强度切削条件下的耐用性。

    应用场景与优势

    硬质合金弧形圆头旋转锉广泛应用于航空航天、汽车制造以及模具加工等领域。其主要优势在于高效切削能力和长寿命。特别是在复杂曲面加工中,弧形圆头设计能够提供更好的贴合度,从而提升加工效率。

    • 在航空航天领域,用于叶片、涡轮盘等关键部件的精密加工。
    • 在汽车制造业,用于发动机缸体和变速箱壳体的去毛刺处理。
    • 在模具行业,用于复杂型腔的修整和抛光。

    未来发展趋势

    随着工业技术的不断进步,硬质合金旋转锉的设计和制造也在向更高效、更环保的方向发展。未来的研究重点可能包括以下几个方面:

    • 开发新型硬质合金材料,进一步提高工具的抗冲击性和耐腐蚀性。
    • 优化生产工艺,降低能耗并减少环境污染。
    • 结合数字化技术,实现旋转锉的智能化控制和精准加工。

    总之,GB 9210-1988 标准为硬质合金弧形圆头旋转锉提供了科学的技术指导,使其成为现代工业不可或缺的重要工具。随着新材料和新技术的应用,这类工具将在未来的工业生产中发挥更大的作用。

  • 下载说明

    预览图若存在模糊、缺失、乱码、空白等现象,仅为图片呈现问题,不影响文档的下载及阅读体验。

    当文档总页数显著少于常规篇幅时,建议审慎下载。

    资源简介仅为单方陈述,其信息维度可能存在局限,供参考时需结合实际情况综合研判。

    如遇下载中断、文件损坏或链接失效,可提交错误报告,客服将予以及时处理。

  • 相关资源
    下一篇 GB 921-1986 钢丝锁圈

    GB 9214-1988 硬质合金锥形圆头旋转锉

    GB 9215-1988 硬质合金锥形尖头旋转锉

    GB 9216-1988 硬质合金倒锥形旋转锉

    GB 9217-1988 硬质合金旋转锉 技术条件

资源简介
封面预览
拓展解读
下载说明
相关资源
  • 帮助中心
  • 网站地图
  • 联系我们
2024-2025 WenDangJia.com 浙ICP备2024137650号-1