• 首页
  • 查标准
  • 下载
  • 专题
  • 标签
  • 首页
  • 标准
  • 制造
  • GB 9208-1988 硬质合金圆球形旋转锉

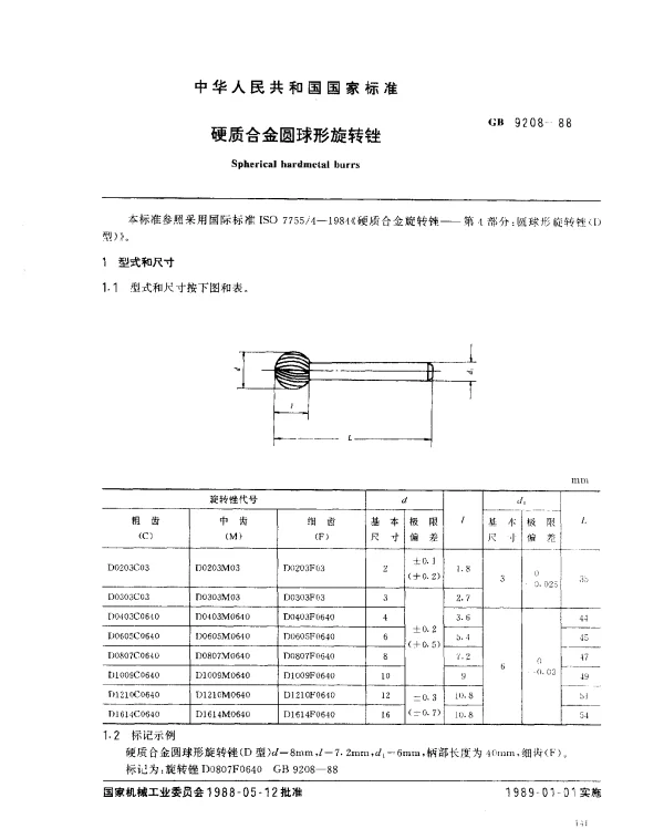
    GB 9208-1988 硬质合金圆球形旋转锉
    硬质合金圆球形旋转锉工具加工机械
    22 浏览2025-06-09 更新pdf0.03MB 未评分
    加入收藏
    立即下载
  • 资源简介

    摘要:本文件规定了硬质合金圆球形旋转锉的术语和定义、技术要求、试验方法、检验规则及标志、包装、运输和贮存。本文件适用于以硬质合金为材料制成的圆球形旋转锉,主要用于机械加工、模具制造等行业。
    Title:Hardmetal Spherical Rotary Files
    中国标准分类号:J15
    国际标准分类号:25.100.30

  • 封面预览

    GB 9208-1988 硬质合金圆球形旋转锉
  • 拓展解读

    优化GB 9208-1988硬质合金圆球形旋转锉生产流程

    在遵循GB 9208-1988标准的前提下,通过优化生产流程和资源利用,可以在保证产品质量的同时实现成本控制和效率提升。以下是10项可行的弹性方案:

    • 材料选择灵活性:在满足标准要求的基础上,探索替代性硬质合金材料,以降低原材料采购成本。
    • 加工工艺改进:采用更高效的数控机床技术,减少人工干预,提高加工精度并缩短生产周期。
    • 批量生产优化:通过合理规划生产批次,平衡库存与市场需求,避免因频繁切换产品型号而增加成本。
    • 设备维护策略调整:实施预防性维护计划,延长设备使用寿命,同时减少突发故障导致的停机时间。
    • 质量检测自动化:引入自动检测系统,快速筛查不合格品,减少人工检查误差,提高检测效率。
    • 能源管理优化:优化生产线能耗配置,例如利用余热回收技术,降低能源消耗成本。
    • 供应链协同管理:加强与供应商的合作关系,通过长期合作获得更优惠的价格和服务保障。
    • 员工技能培训:定期组织员工参加专业培训,提升操作技能水平,减少因操作不当造成的废品率。
    • 废弃物再利用:对生产过程中产生的废料进行分类处理,寻找再利用途径,减少浪费。
    • 客户反馈机制:建立完善的客户反馈渠道,及时了解市场需求变化,调整生产计划以更好地适应市场动态。
  • 下载说明

    预览图若存在模糊、缺失、乱码、空白等现象,仅为图片呈现问题,不影响文档的下载及阅读体验。

    当文档总页数显著少于常规篇幅时,建议审慎下载。

    资源简介仅为单方陈述,其信息维度可能存在局限,供参考时需结合实际情况综合研判。

    如遇下载中断、文件损坏或链接失效,可提交错误报告,客服将予以及时处理。

  • 相关资源
    下一篇 GB 9209-1988 硬质合金椭圆形旋转锉

    GB 921-1986 钢丝锁圈

    GB 9211-1988 硬质合金弧形尖头旋转锉

    GB 9212-1988 硬质合金火炬形旋转锉

    GB 9213-1988 硬质合金60度和90度圆锥形旋转锉

资源简介
封面预览
拓展解读
下载说明
相关资源
  • 帮助中心
  • 网站地图
  • 联系我们
2024-2025 WenDangJia.com 浙ICP备2024137650号-1