• 首页
  • 查标准
  • 下载
  • 专题
  • 标签
  • 首页
  • 标准
  • 电力
  • GB 7403.2-1987 牵引用铅酸蓄电池 产品品种和规格

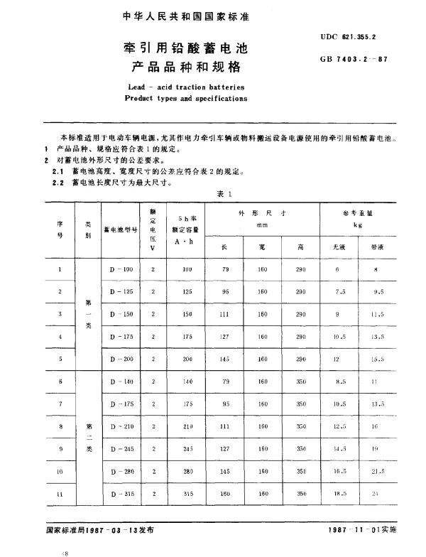
    GB 7403.2-1987 牵引用铅酸蓄电池 产品品种和规格
    牵引用铅酸蓄电池产品品种规格电池电动车辆
    28 浏览2025-06-09 更新pdf0.11MB 未评分
    加入收藏
    立即下载
  • 资源简介

    摘要:本文件规定了牵引用铅酸蓄电池的产品品种和规格,包括外形尺寸、容量等级及技术要求。本文件适用于以铅酸蓄电池为动力电源的电动车辆及其他相关设备。
    Title:Traction Lead-acid Batteries - Product Types and Specifications
    中国标准分类号:K41
    国际标准分类号:29.220.20

  • 封面预览

    GB 7403.2-1987 牵引用铅酸蓄电池 产品品种和规格
  • 拓展解读

    弹性方案分析

    在遵循“GB 7403.2-1987 牵引用铅酸蓄电池 产品品种和规格”标准的前提下,通过优化流程和降低成本,可以找到多个灵活执行的空间。以下是基于核心业务环节提出的10项弹性方案。

    • 材料选择优化:在满足标准要求的基础上,探索替代性材料以降低生产成本。
    • 工艺改进:引入自动化设备减少人工操作,提高生产效率并降低人力成本。
    • 模块化设计:将产品设计为模块化结构,便于后续维护和升级,同时减少库存压力。
    • 批次管理优化:通过精细化批次管理,减少原材料浪费,并提高生产灵活性。
    • 能源管理:采用节能设备和技术,降低生产过程中的能耗成本。
    • 供应链整合:与供应商建立长期合作关系,实现集中采购,从而获得价格优势。
    • 质量控制前移:在原材料阶段加强质量检测,避免后期返工带来的额外成本。
    • 灵活生产计划:根据市场需求动态调整生产计划,减少库存积压风险。
    • 环保技术应用:引入环保型生产工艺,既符合环保要求又可能带来政策支持。
    • 员工培训提升:定期组织技能培训,提高员工操作水平,减少因错误操作导致的成本损失。
  • 下载说明

    预览图若存在模糊、缺失、乱码、空白等现象,仅为图片呈现问题,不影响文档的下载及阅读体验。

    当文档总页数显著少于常规篇幅时,建议审慎下载。

    资源简介仅为单方陈述,其信息维度可能存在局限,供参考时需结合实际情况综合研判。

    如遇下载中断、文件损坏或链接失效,可提交错误报告,客服将予以及时处理。

  • 相关资源
    下一篇 GB 74-1985 开槽凹端紧定螺钉

    GB 787-1974 电子管管基尺寸

    GB 7972-1987 打孔电报纸

    GB 8115-1987 粮食包装 麻袋

    GB 8138-1987 紫胶片

资源简介
封面预览
拓展解读
下载说明
相关资源
  • 帮助中心
  • 网站地图
  • 联系我们
2024-2025 WenDangJia.com 浙ICP备2024137650号-1