• 首页
  • 查标准
  • 下载
  • 专题
  • 标签
  • 首页
  • 标准
  • 纺织服装
  • FZT 90083-1995 纺织机械 筒子架 主要尺寸

    FZT 90083-1995 纺织机械 筒子架 主要尺寸
    纺织机械筒子架主要尺寸标准设计
    29 浏览2025-06-09 更新pdf0.06MB 未评分
    加入收藏
    立即下载
  • 资源简介

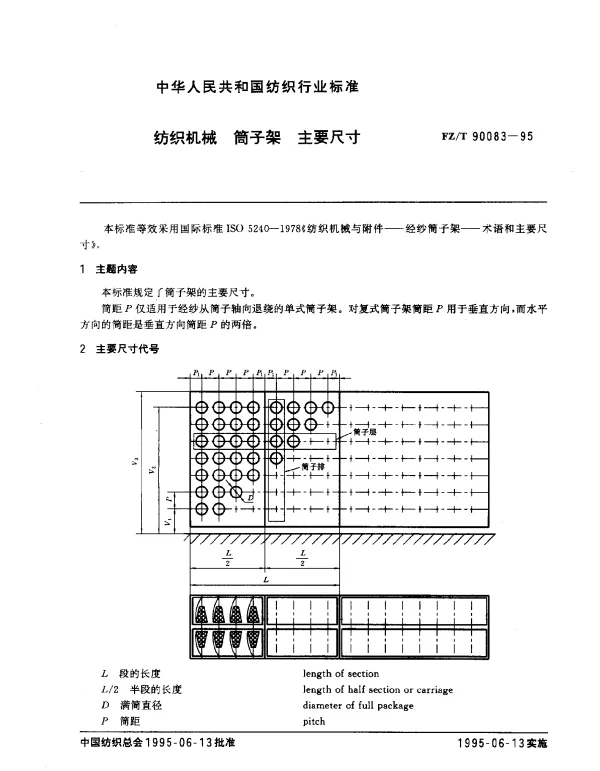
    摘要:本文件规定了纺织机械中筒子架的主要尺寸参数和技术要求。本文件适用于纺织行业中使用筒子架的设计、制造和验收。
    Title:Textile Machinery - Creel - Main Dimensions
    中国标准分类号:W51
    国际标准分类号:59.080.30

  • 封面预览

    FZT 90083-1995 纺织机械 筒子架 主要尺寸
  • 拓展解读

    弹性方案分析

    在遵循“FZT 90083-1995 纺织机械 筒子架 主要尺寸”标准的前提下,通过优化流程和降低成本,可以在核心业务环节中找到灵活执行的空间。以下是10项具体的弹性方案。

    • 材料选择优化:在满足强度要求的前提下,选用性价比更高的材料替代部分原材,降低制造成本。
    • 模块化设计:将筒子架分解为多个模块,便于更换和维修,减少整体维护成本。
    • 生产流程调整:通过引入自动化设备或改进工艺流程,缩短生产周期,提高效率。
    • 尺寸公差放宽:在不影响功能和安全性的前提下,适当放宽某些尺寸公差,简化加工难度。
    • 多用途设计:设计具有多种适用场景的筒子架,以适应不同客户需求,提升市场竞争力。
    • 供应商资源整合:整合供应链资源,与多家供应商合作,确保原材料供应稳定的同时降低采购成本。
    • 检测方式创新:采用更高效的检测手段,如在线监测系统,减少人工检测的时间和误差。
    • 库存管理优化:通过精准预测需求,合理控制库存水平,避免资金占用过多。
    • 培训与技能提升:对操作人员进行专业技能培训,提高生产效率并减少错误率。
    • 客户定制化服务:提供个性化定制服务,满足特定客户的特殊需求,增强客户满意度。
  • 下载说明

    预览图若存在模糊、缺失、乱码、空白等现象,仅为图片呈现问题,不影响文档的下载及阅读体验。

    当文档总页数显著少于常规篇幅时,建议审慎下载。

    资源简介仅为单方陈述,其信息维度可能存在局限,供参考时需结合实际情况综合研判。

    如遇下载中断、文件损坏或链接失效,可提交错误报告,客服将予以及时处理。

  • 相关资源
    下一篇 FZT 90082.4-1995 有梭织机用层压木侧板和投梭棒物理力学试验方法 冲击韧性

    FZT 90084-1995 经编机用分段整经轴 术语及主要尺寸

    FZT 90086-1995 纺织机械与附件 下罗拉轴承和有关尺寸

    FZT 90085-1995 纺织机械 卷布辊 术语和主要尺寸

    FZT 90089.1-2021 纺织机械铭牌 第1部分:型式、尺寸及技术要求

资源简介
封面预览
拓展解读
下载说明
相关资源
  • 帮助中心
  • 网站地图
  • 联系我们
2024-2025 WenDangJia.com 浙ICP备2024137650号-1