• 首页
  • 查标准
  • 下载
  • 专题
  • 标签
  • 首页
  • 标准
  • 纺织服装
  • FZT 90076-1995 管子、板材、圆钢的弯曲半径

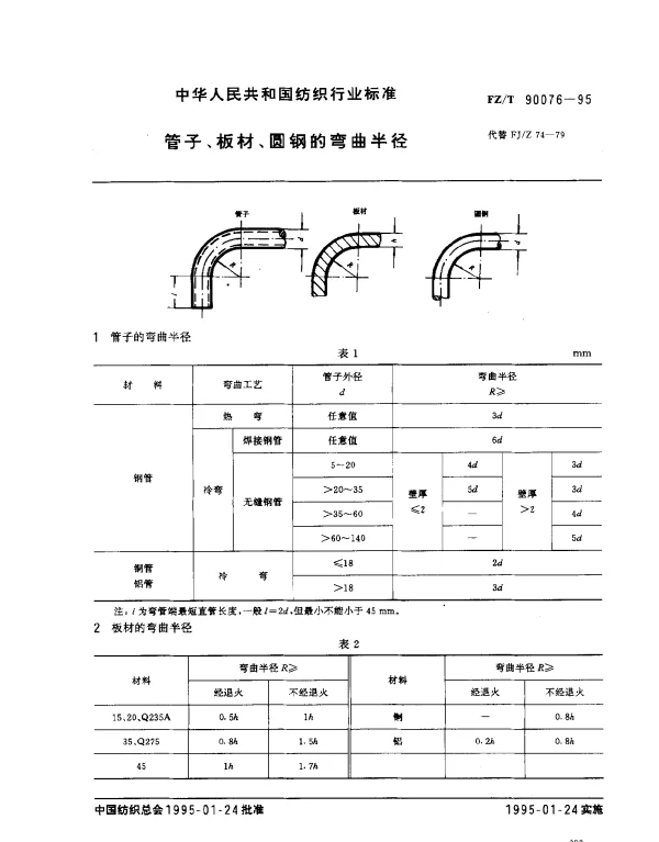
    FZT 90076-1995 管子、板材、圆钢的弯曲半径
    管子板材圆钢弯曲半径纺织材料
    29 浏览2025-06-09 更新pdf0.03MB 未评分
    加入收藏
    立即下载
  • 资源简介

    摘要:本文件规定了纺织机械和器材中管子、板材、圆钢的最小弯曲半径要求及相关的技术规范。本文件适用于纺织机械制造过程中涉及管子、板材、圆钢弯曲加工的相关环节。
    Title:Rules for Bending Radius of Tubes, Sheets and Round Steels in Textile Machinery - FZT 90076-1995
    中国标准分类号:W52
    国际标准分类号:59.180

  • 封面预览

    FZT 90076-1995 管子、板材、圆钢的弯曲半径
  • 拓展解读

    主要内容

    FZT 90076-1995 标准规定了管子、板材和圆钢在弯曲加工中的最小弯曲半径要求。该标准适用于金属材料在制造过程中的弯曲操作,确保产品性能和结构强度。

    • 适用范围:明确适用于管子、板材和圆钢的弯曲半径设计与加工。
    • 技术指标:提供了不同材料、厚度及弯曲角度下的最小弯曲半径参考值。
    • 测试方法:详细描述了如何测量和验证弯曲半径是否符合标准要求。

    与老版本的变化

    • 材料分类细化:新版本增加了更多材料种类,并对每种材料的弯曲特性进行了更详细的说明。
    • 数据更新:根据新材料和技术的发展,调整了部分最小弯曲半径的具体数值。
    • 适用场景扩展:新增了一些特殊应用场景下的弯曲半径建议,例如高温或低温环境。
    • 测试方法改进:优化了测试流程,提高了测量精度和可靠性。
  • 下载说明

    预览图若存在模糊、缺失、乱码、空白等现象,仅为图片呈现问题,不影响文档的下载及阅读体验。

    当文档总页数显著少于常规篇幅时,建议审慎下载。

    资源简介仅为单方陈述,其信息维度可能存在局限,供参考时需结合实际情况综合研判。

    如遇下载中断、文件损坏或链接失效,可提交错误报告,客服将予以及时处理。

  • 相关资源
    下一篇 FZT 90078.3-1995 棉织机用丁腈缓冲圈试验方法 抗张强度

    FZT 90078.2-1995 棉织机用丁腈缓冲圈试验方法 层间粘着强度

    FZT 90079.1-1995 棉织机用丁腈投梭结试验方法 球压痕硬度

    FZT 90079.3-1995 棉织机用丁腈投梭结试验方法 抗张强度

    FZT 90080.1-1995 织机用塑料投梭结试验方法 球压痕硬度

资源简介
封面预览
拓展解读
下载说明
相关资源
  • 帮助中心
  • 网站地图
  • 联系我们
2024-2025 WenDangJia.com 浙ICP备2024137650号-1