• 首页
  • 查标准
  • 下载
  • 专题
  • 标签
  • 首页
  • 标准Ⅱ
  • 建筑
  • JGT 29.1-1986 钢制柱型散热器

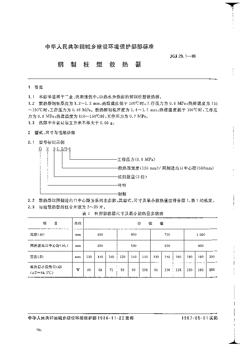
    JGT 29.1-1986 钢制柱型散热器
    钢制散热器柱型散热器建筑采暖热工性能散热器标准
    357 浏览2026-03-07 更新pdf0.24MB 共5页未评分
    加入收藏
    立即下载
  • 资源简介

    《JGT 29.1-1986 钢制柱型散热器》是中华人民共和国建设部发布的行业标准,适用于钢制柱型散热器的设计、制造和检验。该标准规定了钢制柱型散热器的结构形式、技术要求、试验方法及检验规则等内容,旨在提高产品质量和使用性能。标准中对散热器的材料、焊接工艺、耐压能力及热工性能等进行了详细规范,确保其在供暖系统中的安全性和可靠性。该标准为钢制柱型散热器的生产与应用提供了重要依据,对推动建筑节能和供暖系统标准化具有重要意义。



  • 封面预览

    JGT 29.1-1986 钢制柱型散热器
  • 下载说明

    预览图若存在模糊、缺失、乱码、空白等现象,仅为图片呈现问题,不影响文档的下载及阅读体验。

    当文档总页数显著少于常规篇幅时,建议审慎下载。

    资源简介仅为单方陈述,其信息维度可能存在局限,供参考时需结合实际情况综合研判。

    如遇下载中断、文件损坏或链接失效,可提交错误报告,客服将予以及时处理。

  • 相关资源
    下一篇 JGT 289-2010 混凝土结构加固用聚合物砂浆

    JG3-2002 采暖散热器 灰铸铁柱型散热器

资源简介
封面预览
下载说明
相关资源
  • 帮助中心
  • 网站地图
  • 联系我们
2024-2025 WenDangJia.com 浙ICP备2024137650号-1