• 首页
  • 查标准
  • 下载
  • 专题
  • 标签
  • 首页
  • 标准Ⅱ
  • 制造
  • GBT 6091-1985 刀口形直尺

    GBT 6091-1985 刀口形直尺
    刀口形直尺标准GBT6091-1985测量工具精度
    206 浏览2026-03-21 更新pdf0.16MB 共4页未评分
    加入收藏
    立即下载
  • 资源简介

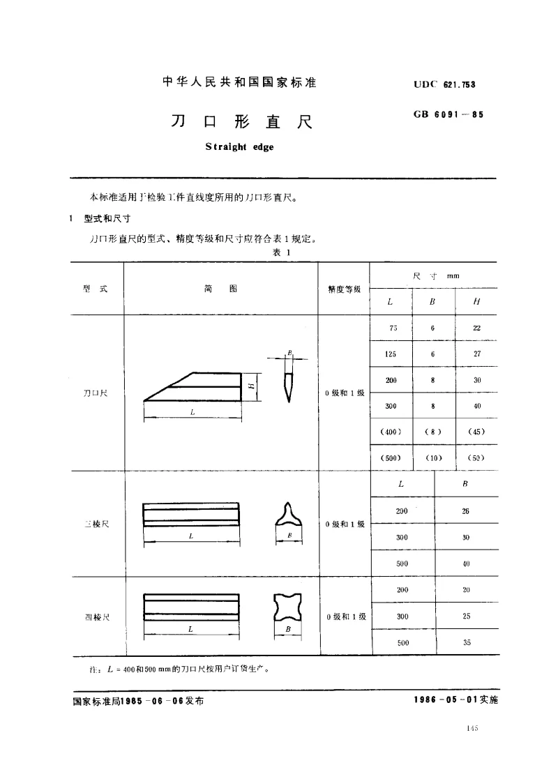
    《GBT 6091-1985 刀口形直尺》是中国国家标准,规定了刀口形直尺的技术要求、检验方法和标志包装等内容。该标准适用于测量平面度、直线度等几何精度的刀口形直尺,广泛应用于机械制造、计量检测等领域。刀口形直尺具有高精度和良好的稳定性,是精密测量中不可或缺的工具。本标准对产品的材料、尺寸、表面质量及检测方法进行了详细规范,确保其性能符合使用需求。该标准的实施有助于提高产品质量和测量准确性,促进相关行业的技术发展。



  • 封面预览

    GBT 6091-1985 刀口形直尺
  • 下载说明

    预览图若存在模糊、缺失、乱码、空白等现象,仅为图片呈现问题,不影响文档的下载及阅读体验。

    当文档总页数显著少于常规篇幅时,建议审慎下载。

    资源简介仅为单方陈述,其信息维度可能存在局限,供参考时需结合实际情况综合研判。

    如遇下载中断、文件损坏或链接失效,可提交错误报告,客服将予以及时处理。

  • 相关资源
    下一篇 GBT 60756-2002 在非旋转部件上测量和评价机器的机械振动 第6部分:功率大于100KW的往复式机器

    GBT 51253-2017 建设工程白蚁危害评定标准

    GBT 51255-2017 绿色生态城区评价标准

    GBT 51263-2017 轻轨交通设计标准

    GBT 51265-2018 有线电视网络工程施工与验收标准

    GBT 51264-2017 双向拉伸薄膜工厂设计标准

    GBT 51265-2018 有线电视网络工程施工与验收标准

    GBT 51266-2017 机械工厂年时基数设计标准

    GBT 51268-2017 绿色照明检测及评价标准

    GBT 51269-2017 建筑信息模型分类和编码标准

    GBT 51271-2017 住房公积金归集业务标准

    GBT 51272-2018 煤炭工业智能化矿井设计标准

    GBT 51273-2018 石油化工钢制设备抗震鉴定标准

    GBT 51274-2017 城镇综合管廊监控与报警系统工程技术标准

    GBT 51275-2017 软土地基路基监控标准

    GBT 51277-2018 矿山立井冻结法施工及质量验收标准

    GBT 51278-2018 数字蜂窝移动通信网LTE工程技术标准

    GBT 51280-2018 工程泥沙设计标准

    GBT 51279-2018 公众移动通信高速铁路覆盖工程技术标准

    GBT 51281-2018 同步数字体系(SDH)光纤传输系统工程验收标准

    GBT 51285-2018 建筑合同能源管理节能效果评价标准

资源简介
封面预览
下载说明
相关资源
  • 帮助中心
  • 网站地图
  • 联系我们
2024-2025 WenDangJia.com 浙ICP备2024137650号-1