• 首页
  • 查标准
  • 下载
  • 专题
  • 标签
  • 首页
  • 标准Ⅱ
  • 建筑
  • 01G516(预算工程量)轻型屋面钢天窗架(预算工程量)

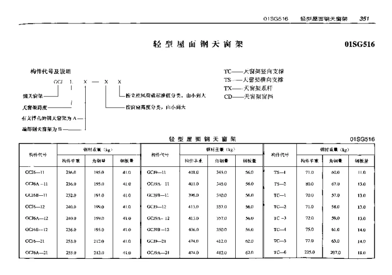
    01G516(预算工程量)轻型屋面钢天窗架(预算工程量)
    预算工程量轻型屋面钢天窗架工程预算屋面结构
    415 浏览2026-04-19 更新pdf0.06MB 共2页未评分
    加入收藏
    立即下载
  • 资源简介

    《01G516(预算工程量)轻型屋面钢天窗架(预算工程量)》是用于建筑工程中轻型屋面钢天窗架的预算工程量计算标准。该图集适用于工业与民用建筑中的轻型钢结构天窗架设计与施工,提供了详细的构造做法、材料规格及工程量计算方法。其内容有助于规范工程预算编制,提高工程管理效率,确保施工质量与成本控制。该图集是建筑设计、施工及造价人员的重要参考资料。



  • 封面预览

    01G516(预算工程量)轻型屋面钢天窗架(预算工程量)
  • 下载说明

    预览图若存在模糊、缺失、乱码、空白等现象,仅为图片呈现问题,不影响文档的下载及阅读体验。

    当文档总页数显著少于常规篇幅时,建议审慎下载。

    资源简介仅为单方陈述,其信息维度可能存在局限,供参考时需结合实际情况综合研判。

    如遇下载中断、文件损坏或链接失效,可提交错误报告,客服将予以及时处理。

  • 相关资源
    下一篇 01S302(预算工程量)雨水斗(预算工程量)

    JTG H40-2002 公路养护工程预算编制导则

    JTGT 3832-2018 公路工程预算定额

    JTGT B06-02-2007 公路工程预算定额

    JTGT3832-01-2022公路桥梁钢结构工程预算定额

    NBT20358.7-2018核电厂建设工程预算定额第7部分:核岛电气设备安装工程

资源简介
封面预览
下载说明
相关资源
  • 帮助中心
  • 网站地图
  • 联系我们
2024-2025 WenDangJia.com 浙ICP备2024137650号-1