• 首页
  • 查标准
  • 下载
  • 专题
  • 标签
  • 首页
  • 资料
  • 电力
  • 变电工作票改错题

    变电工作票改错题
    变电工作票改错题电力安全操作规范电气设备
    2494 浏览2025-08-24 更新pdf1.07MB 共25页未评分
    加入收藏
    立即下载
  • 资源简介

    《变电工作票改错题(共25页)》是一本针对电力系统中变电运行工作的专业学习资料,主要用于帮助从业人员掌握和规范工作票的填写与使用。该资料通过大量的实际案例和典型错误分析,帮助读者识别和纠正工作票中存在的各种问题,从而提高变电作业的安全性和规范性。

    工作票是电力系统中确保作业安全的重要管理工具,其正确填写直接关系到作业人员的安全和设备的正常运行。然而,在实际操作中,由于对规程理解不深或操作不当,常常会出现各种错误,如项目遗漏、签名不符、时间填写错误等。《变电工作票改错题(共25页)》正是针对这些问题,提供了详细的解析和改正方法。

    该资料共25页,内容涵盖变电工作票的基本格式、填写要求、常见错误类型以及相应的改错方法。每一页都配有具体的例子和详细说明,便于读者理解和应用。同时,资料还结合了最新的行业标准和规范,确保内容的准确性和实用性。

    无论是电力系统的工作人员还是相关专业的学生,《变电工作票改错题(共25页)》都是一份非常有价值的参考资料。它不仅有助于提升个人的专业能力,还能有效减少因工作票错误而导致的安全事故,为电力系统的稳定运行提供有力保障。



  • 封面预览

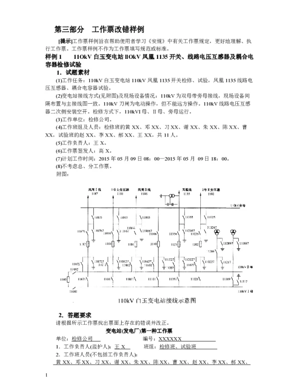
    变电工作票改错题
  • 下载说明

    预览图若存在模糊、缺失、乱码、空白等现象,仅为图片呈现问题,不影响文档的下载及阅读体验。

    当文档总页数显著少于常规篇幅时,建议审慎下载。

    资源简介仅为单方陈述,其信息维度可能存在局限,供参考时需结合实际情况综合研判。

    如遇下载中断、文件损坏或链接失效,可提交错误报告,客服将予以及时处理。

  • 相关资源
    下一篇 变电工程施工作业票典型模板2018版

    电力工程高压送电线路设计手册

    电力建设工程概算定额使用指南第三册电气设备安装工程通信工程调试工程(2013年版)

    电力建设工程定额估价表电气设备安装工程

    电力建设工程概算定额(2013年版)第三册电气设备安装工程

    电力建设工程预算定额使用指南第三册电气设备安装工程通信工程调试工程(2013年版电力工程造价与定额管理总站2013

    电力建设工程预算定额应用手册电气设备安装工程(张国栋化学工业2009)

    电力生产企业安全设施规范手册

    电力系统及电气设备概论(第二版刘柏青武汉大学2011年10月)

    电工1000个怎么办张盖楚

    电工实用技能手册第二版

    电工入门七步走 电工操作入门 孙克军 主编 2015年版

    电工基础 精讲精练

    电工及电气测量技术[杨红主编]2013年

    电工实用技术技能_第2版

    电工微宝典系列电工作业禁忌宝典

    电工技术__第3版

    电工常用数据宝典

    电工技术与技能实训

    电工技能入门与突破

    电工检修一点通

资源简介
封面预览
下载说明
相关资源
  • 帮助中心
  • 网站地图
  • 联系我们
2024-2025 WenDangJia.com 浙ICP备2024137650号-1