• 首页
  • 查标准
  • 下载
  • 专题
  • 标签
  • 首页
  • 标准Ⅱ
  • 建筑
  • JC 514.1-1993 铸石制品铸石板

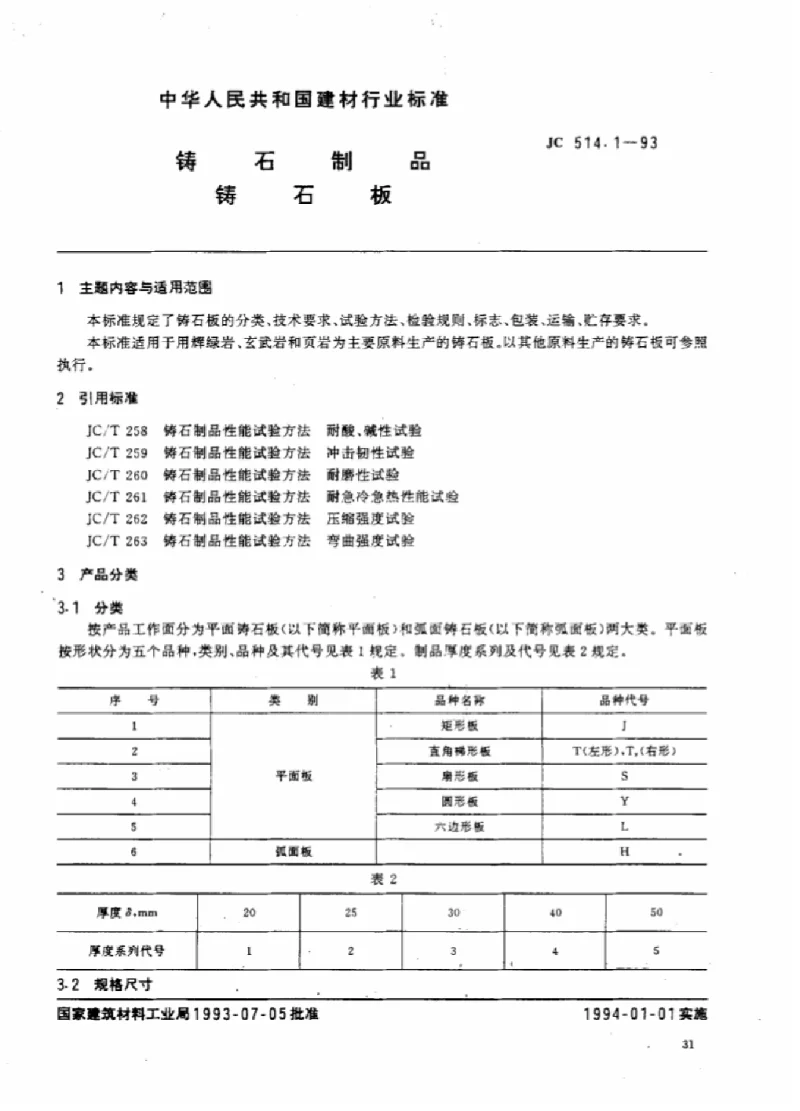
    JC 514.1-1993 铸石制品铸石板
    铸石制品JC514.1-1993建筑材料工业标准板材规格
    306 浏览2026-03-12 更新pdf1.76MB 共15页未评分
    加入收藏
    立即下载
  • 资源简介

    《JC 514.1-1993 铸石制品铸石板》是中国国家标准,主要用于规范铸石板的技术要求、试验方法、检验规则及标志、包装、运输和贮存等内容。该标准适用于以天然玄武岩、辉绿岩等为主要原料,经熔融、铸造、退火等工艺制成的铸石板,广泛用于化工、电力、冶金等行业,具有耐磨、耐腐蚀、耐高温等优良性能。通过执行该标准,可确保铸石板产品质量稳定,满足不同工业领域的使用需求。



  • 封面预览

    JC 514.1-1993 铸石制品铸石板
  • 下载说明

    预览图若存在模糊、缺失、乱码、空白等现象,仅为图片呈现问题,不影响文档的下载及阅读体验。

    当文档总页数显著少于常规篇幅时,建议审慎下载。

    资源简介仅为单方陈述,其信息维度可能存在局限,供参考时需结合实际情况综合研判。

    如遇下载中断、文件损坏或链接失效,可提交错误报告,客服将予以及时处理。

  • 相关资源
    下一篇 JC 506-2008 无声破碎剂

    GBT 5464-2010 建筑材料不燃性试验方法

    DB51T 3236-2024 建筑材料生产企业 固体废物综合利用信息管理规范

    GBT 8625-2005 建筑材料难燃性试验方法

    GBT 8627-2007 建筑材料燃烧或分解的烟密度试验方法

    GBT 9119-2010_板式平焊钢制管法兰_建筑材料标准

    DB65T 4869-2024 建筑材料生产企业 固体废物综合利用追溯管理规范

    JCT2111-2012 建筑材料相变调温性能测试方法

    JGJT191-2009 建筑材料术语标准

    SL251-2015水利水电工程天然建筑材料勘察规程

    TB10084-2007 铁路天然建筑材料工程地质勘察规程

    建筑材料见证取样送检标准JGJ190-2010

    DLT 5388-2007 水电水利工程天然建筑材料勘察规程标准

    GB10697-89建筑材料窑炉热平衡术语

    GB11942-89彩色建筑材料色度测量方法

    GB8624-2012《建筑材料及制品燃烧性能分级》

    GBT20284-2006《建筑材料或制品的单体燃烧试验》

资源简介
封面预览
下载说明
相关资源
  • 帮助中心
  • 网站地图
  • 联系我们
2024-2025 WenDangJia.com 浙ICP备2024137650号-1