• 首页
  • 查标准
  • 下载
  • 专题
  • 标签
  • 首页
  • 标准Ⅱ
  • 电力
  • DLT5161.17

    DLT5161.17
    电力工程电气装置安装质量检验标准施工规范
    2861 浏览2025-10-01 更新pdf0.42MB 共5页未评分
    加入收藏
    立即下载
  • 资源简介

    《DLT5161.17》是中国电力行业标准的一部分,全称为《电气装置安装工程 质量检验及评定规程 第17部分:电缆线路施工质量检验》。该标准由中华人民共和国国家能源局发布,适用于电力系统中电缆线路的施工、验收和质量评定工作。

    DLT5161.17主要规定了电缆线路施工过程中的质量控制要点,包括电缆敷设、接头制作、终端安装、防火封堵、接地与屏蔽等关键环节的技术要求和检验方法。标准内容涵盖了施工前的准备、施工过程中的质量检查以及竣工后的验收程序,为电缆线路的施工提供了科学、规范的依据。

    该标准的制定和实施,对于提高电缆线路施工质量、保障电力系统安全运行具有重要意义。通过统一技术标准和检验方法,有助于规范施工单位的操作行为,提升工程质量水平,减少因施工不当导致的故障风险。

    DLT5161.17不仅适用于新建电缆线路工程,也适用于既有电缆线路的改造和维护工作。其适用范围广泛,涵盖了发电、输电、配电等多个领域,是电力行业施工和管理的重要参考文件。

    随着电力系统的不断发展和技术进步,DLT5161.17也在不断完善和更新,以适应新的施工工艺和材料应用。相关从业人员应认真学习和掌握该标准的内容,确保在实际工作中严格遵守,从而推动电力工程质量的持续提升。

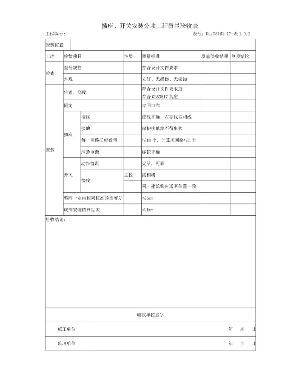
  • 封面预览

    DLT5161.17
  • 下载说明

    预览图若存在模糊、缺失、乱码、空白等现象,仅为图片呈现问题,不影响文档的下载及阅读体验。

    当文档总页数显著少于常规篇幅时,建议审慎下载。

    资源简介仅为单方陈述,其信息维度可能存在局限,供参考时需结合实际情况综合研判。

    如遇下载中断、文件损坏或链接失效,可提交错误报告,客服将予以及时处理。

  • 相关资源
    下一篇 DLT5161.16-2018电气装置安装工程质量检验及评定规程第16部分1kV及以下配线工程施工质量检验.pdf

    DL 5028-1993 电力工程制图标准

    DL 5334-2006 电力工程勘测安全技术规程

    DLT 1108-2009 电力工程项目编号及产品文件管理规定

    DLT 1312-2013 电力工程接地用铜覆钢技术条件

    DLT 1312-2013 电力工程接地用铜覆钢技术条件

    DLT 1314-2013 电力工程用缓释型离子接地装置技术条件

    DLT 1314-2013 电力工程用缓释型离子接地装置技术条件

    DLT 1315-2013 电力工程接地装置用放热焊剂技术条件

    DLT 1315-2013 电力工程接地装置用放热焊剂技术条件

    DLT 1457-2015 电力工程接地用锌包钢技术条件

    DLT 1457-2015 电力工程接地用锌包钢技术条件

    DLT 1677-2016 电力工程用降阻接地模块技术条件

    DLT 1678-2016 电力工程接地降阻技术规范

    DLT 1678-2016 电力工程接地降阻技术规范

    DLT 1918-2018 电力工程接地用铝铜合金技术条件

    DLT 1982-2019 _电力工程热转印标识技术规范

    DLT 1982-2019 电力工程热转印标识技术规范

    DLT 2197-2020 电力工程信息模型应用统一标准

    DLT 2309-2021 电力工程用缓释型离子接地装置施工工艺导则

    DLT 2308-2021 电力工程接地用导电防腐涂料技术条件

资源简介
封面预览
下载说明
相关资源
  • 帮助中心
  • 网站地图
  • 联系我们
2024-2025 WenDangJia.com 浙ICP备2024137650号-1