• 首页
  • 查标准
  • 下载
  • 专题
  • 标签
  • 首页
  • 标准
  • 食品
  • SC 128-1984 鲜带鱼

    SC 128-1984 鲜带鱼
    带鱼鲜鱼质量要求检验方法包装运输
    43 浏览2025-06-07 更新pdf0.03MB 未评分
    加入收藏
    立即下载
  • 资源简介

    摘要:本文件规定了鲜带鱼的术语和定义、质量要求、检验方法、检验规则、标志、包装、运输和贮存。本文件适用于鲜带鱼的收购、加工、销售及检验。
    Title:SC 128-1984 Fresh Ribbonfish
    中国标准分类号:B31
    国际标准分类号:67.120.20

  • 封面预览

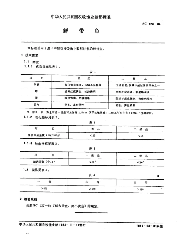
    SC 128-1984 鲜带鱼
  • 拓展解读

    SC 128-1984 鲜带鱼标准内容总结

    SC 128-1984 是关于鲜带鱼的质量标准,主要用于规范鲜带鱼的品质要求和检验方法。以下是该标准的主要内容:

    • 感官要求:规定了鲜带鱼的颜色、气味、外观等感官指标。
    • 理化指标:包括水分含量、脂肪含量等具体数值要求。
    • 卫生要求:对污染物、微生物等卫生指标进行了严格限定。
    • 检验方法:详细说明了如何检测鲜带鱼的各项指标。

    与老版本的变化对比

    相比老版本,SC 128-1984 在以下几个方面进行了调整和优化:

    • 感官要求:增加了对新鲜度的更细致描述,并提高了对颜色均匀性的要求。
    • 理化指标:更新了水分和脂肪含量的标准范围,以适应现代技术的发展。
    • 卫生要求:强化了对重金属和农药残留的限制,提升了食品安全性。
    • 检验方法:引入了更先进的检测技术和设备,提高了检测效率和准确性。
  • 下载说明

    预览图若存在模糊、缺失、乱码、空白等现象,仅为图片呈现问题,不影响文档的下载及阅读体验。

    当文档总页数显著少于常规篇幅时,建议审慎下载。

    资源简介仅为单方陈述,其信息维度可能存在局限,供参考时需结合实际情况综合研判。

    如遇下载中断、文件损坏或链接失效,可提交错误报告,客服将予以及时处理。

  • 相关资源
    下一篇 SC 130-1984 鲜乌鲗

    SC 2022-2004 真鲷

    SC 2032-2006 虾夷扇贝

    SC 2055-2006 凡纳滨对虾

    SC 2052-2007 魁蚶

资源简介
封面预览
拓展解读
下载说明
相关资源
  • 帮助中心
  • 网站地图
  • 联系我们
2024-2025 WenDangJia.com 浙ICP备2024137650号-1