• 首页
  • 查标准
  • 下载
  • 专题
  • 标签
  • 首页
  • 标准
  • 食品
  • SBT 10142-1993 蛋糕用小麦粉

    SBT 10142-1993 蛋糕用小麦粉
    小麦粉蛋糕面粉食品加工质量要求
    31 浏览2025-06-07 更新pdf0.11MB 未评分
    加入收藏
    立即下载
  • 资源简介

    摘要:本文件规定了蛋糕用小麦粉的技术要求、检验方法、检验规则、标志、包装、运输和贮存。本文件适用于以小麦为原料,经清理、制粉等工艺加工制成的,主要用于制作蛋糕的小麦粉。
    Title:SBT 10142-1993 Cake Wheat Flour
    中国标准分类号:X55
    国际标准分类号:67.060

  • 封面预览

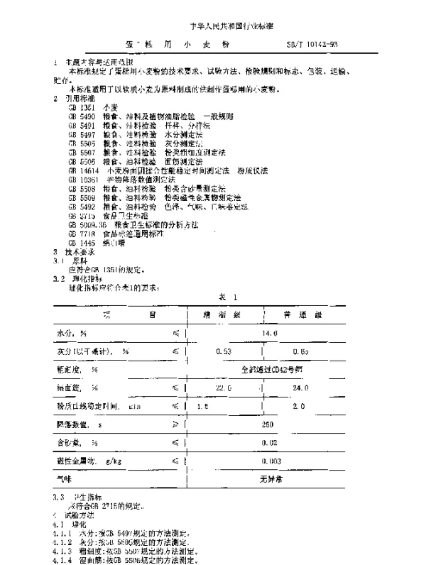
    SBT 10142-1993 蛋糕用小麦粉
  • 拓展解读

    SBT 10142-1993 蛋糕用小麦粉标准概述

    SBT 10142-1993 是巴西食品工业中关于蛋糕用小麦粉的一项国家标准。这一标准为生产、销售和检测蛋糕用小麦粉提供了明确的技术要求和质量规范。它不仅规定了蛋糕用小麦粉的物理、化学和感官特性,还明确了其在食品工业中的应用范围。作为食品行业的重要组成部分,蛋糕用小麦粉直接影响到蛋糕制品的质量与口感,因此这一标准对于保障食品安全、提升产品质量具有重要意义。

    蛋糕用小麦粉的核心技术指标

    根据 SBT 10142-1993 标准,蛋糕用小麦粉需要满足一系列严格的技术指标。这些指标包括但不限于蛋白质含量、灰分含量、湿面筋含量以及面团稳定时间等。例如,蛋白质含量通常要求在 10%-12% 之间,以确保蛋糕制品具有良好的弹性和韧性;灰分含量则需低于 0.75%,以保证面粉的纯净度和细腻口感。此外,湿面筋含量和面团稳定时间也是衡量蛋糕用小麦粉质量的关键指标,它们直接影响到蛋糕的发酵效果和最终成品的质地。

    • 蛋白质含量: 蛋白质是蛋糕用小麦粉的重要成分,直接影响蛋糕的结构和口感。优质的小麦粉通常含有适量的蛋白质,既能提供足够的弹性,又不会过于紧实。
    • 灰分含量: 灰分含量低的小麦粉通常更受欢迎,因为它意味着面粉更加纯净,适合制作细腻的蛋糕。
    • 湿面筋含量: 湿面筋含量决定了面粉在水中的粘弹性,这对于蛋糕的发酵过程至关重要。
    • 面团稳定时间: 面团稳定时间反映了面粉在揉制过程中的耐受性,直接影响蛋糕的成型效果。

    蛋糕用小麦粉的应用场景

    蛋糕用小麦粉广泛应用于各种烘焙产品中,尤其是在制作轻盈、松软的蛋糕时不可或缺。从家庭烘焙到专业糕点店,这种面粉因其独特的性能而备受青睐。例如,在制作海绵蛋糕时,蛋糕用小麦粉能够提供所需的蓬松感和柔软度,同时保持蛋糕的整体结构稳定。

    实际案例显示,某知名连锁面包店通过采用符合 SBT 10142-1993 标准的蛋糕用小麦粉,成功提升了其经典蛋糕产品的口感和销量。数据显示,使用该标准的小麦粉后,蛋糕的体积增加了约 15%,口感更加细腻,消费者满意度显著提高。

    蛋糕用小麦粉与其他类型小麦粉的区别

    蛋糕用小麦粉与其他类型的小麦粉(如面包用小麦粉、通用型小麦粉)在用途和特性上存在明显差异。面包用小麦粉通常蛋白质含量更高,湿面筋含量也更高,适合制作需要较强韧性的面包。而通用型小麦粉虽然用途广泛,但其性能往往介于两者之间,无法完全满足蛋糕制作的需求。

    • 面包用小麦粉: 蛋白质含量通常在 12%-14% 之间,适合制作需要强韧结构的面包。
    • 通用型小麦粉: 性能较为平衡,适用于多种烘焙食品,但不专属于某一特定用途。
    • 蛋糕用小麦粉: 强调轻盈和细腻,蛋白质含量适中,湿面筋含量较低,非常适合制作松软的蛋糕。

    SBT 10142-1993 的实施意义

    SBT 10142-1993 标准的实施不仅规范了蛋糕用小麦粉的生产流程,还推动了整个食品行业的标准化进程。通过统一的技术指标和检测方法,该标准有效减少了市场上的产品质量参差不齐现象,为消费者提供了可靠的选择依据。此外,标准的推广也促进了巴西食品工业的国际化发展,使其产品更容易进入国际市场。

    值得注意的是,随着消费者对健康饮食的关注日益增加,蛋糕用小麦粉的研发也在向低筋、低糖方向发展。未来,SBT 10142-1993 标准可能会进一步修订,以适应新的市场需求和技术进步。

    总结

    SBT 10142-1993 蛋糕用小麦粉标准是巴西食品工业的重要技术规范之一,它不仅为蛋糕用小麦粉的生产提供了明确的指导,也为消费者带来了更高质量的产品体验。通过严格的技术指标和广泛的适用性,该标准在食品行业中占据着不可替代的地位。未来,随着技术的不断进步和市场的变化,这一标准有望继续发挥其引领作用,推动食品工业的可持续发展。

  • 下载说明

    预览图若存在模糊、缺失、乱码、空白等现象,仅为图片呈现问题,不影响文档的下载及阅读体验。

    当文档总页数显著少于常规篇幅时,建议审慎下载。

    资源简介仅为单方陈述,其信息维度可能存在局限,供参考时需结合实际情况综合研判。

    如遇下载中断、文件损坏或链接失效,可提交错误报告,客服将予以及时处理。

  • 相关资源
    下一篇 SBT 10137-1993 面条用小麦粉

    SBT 10139-1993 馒头用小麦粉

    SBT 10141-1993 酥性饼干用小麦粉

    SBT 10143-1993 糕点用小麦粉

    SBT 10144-1993 自发小麦粉

资源简介
封面预览
拓展解读
下载说明
相关资源
  • 帮助中心
  • 网站地图
  • 联系我们
2024-2025 WenDangJia.com 浙ICP备2024137650号-1